|
飽和型蒸汽流量計:(飽和型渦街流量計、飽和型氣體流量計) |
優量渦街蒸汽氣體流量計
(具有國家認可的蒸汽流量計制造資質,中國具有影響力的高溫型蒸汽流量計廠家之一)
計量器具生產許可證: 蘇制02000305號 蒸汽流量計執行標準: JJG1029-2007 |
飽和型蒸汽流量計 |
蒸汽流量計概述: <
蒸汽流量計是速度式流量計的一種,它以卡門渦街理論為基礎,采用壓電晶體檢測流體通過管道內三角柱時所產生的旋渦頻率,從而測量出流體的流量。渦街流量計廣泛應用測量的介質有:蒸汽、氣體、液體、油類等.
優點:
1、便于現場安裝的人性化壁掛設計。
2、溫度、壓力、密度、流量多物理量循環
3、停電記錄功能和歷史記錄查詢
1、探頭密封件選用超軟異型非標金屬片:許多蒸汽流量計是探頭密封不嚴,造成漏水而報廢的,因為一般廠家都不具備高溫密封測試條件。
2、專為過熱蒸汽設計超高溫探頭,耐溫達450℃:選用進口高溫材料和巧妙結構進行特殊工藝封裝,成為國內封裝技術較領先的少數廠家之一
3、探頭采用四片晶體封裝結構,抗震性明顯增強:一般廠家只封裝兩片晶體,而另外兩片主要是防震作用。
4、傳感器的發生體是模注而成,批量生產,成本低:不銹鋼的金加工難度大,沒有一定批量,成本較高,而且外觀不美。
5、蒸汽計算軟件燒制在模塊芯片里,自動顯示質量流量:這套軟件分飽和蒸汽和過熱蒸汽兩個版本,在線顯示溫度、壓力、密度、流量值。
6、歷史記錄查詢功能,顯示日報表、月報表、年報表:可方便用戶進行計量結算。
7、停電記錄查詢功能,顯示停電時間和次數:可方便用戶計算未計量流量和防止偷漏蒸汽現象。
|

溫壓補償流量液晶顯示表 |
|
|
精品級蒸汽流量計,每套帶第三方檢測證書;優量流量計,就是不一樣 |
Φ80mm精品級蒸汽流量計
防偽圖片不得使用,否則法律責任自負 |
|
|
 |
通過無錫市計量測試中心第三方權威部門嚴格測試,并出具單臺檢測證書和檢測費用發票.
高溫蒸汽流量計訂貨周期:3天
電話:0510-82026888 83118288 85051088 傳真:0510-83118288 82026888 |
|
飽和蒸汽流量計(三件套)
日報表、月報表查詢
中文液晶菜單,便于觀看 |
過熱、飽和蒸汽流量計(四件套)
蒸汽的物理參數全知道
溫壓雙補償,適用各類蒸汽 |
特點:
1、適用小于180度的飽和蒸汽
2、抄表方便,日、月報表查詢功能
3、獨特的壁掛表設計,安裝簡易
4、液晶顯示,中文菜單
5、停電記錄功能
|
特點:
1、適用大于180度的過熱/飽和蒸汽
2、溫度壓力雙補償,自動跟蹤計算
3、翻閱溫度、壓力、密度、流量值,蒸汽指標全知道
4、耐溫等級:250度、330度、450度
5、獨特的壁掛表設計,安裝簡易
|
溫壓補償一體型蒸汽流量計
自帶鋰電,無電源場合也行 |
插入式蒸汽流量計
應用DN300以上的管道 |
特點:
1、適用低矮的蒸汽管道
2、鋰電池供電,安裝方便 |
特點:
1、適用DN300以上的管道
2、獨特的壁掛表設計,安裝簡易 |
|
|
|
優量高溫型蒸汽流量計,具備國家認可的爭產資質,生產許可證號:蘇制02000305號
購買時, 直接來電0510-8202 6888咨詢,謹防假冒,杜絕偽劣 |
|
1、飽和蒸汽流量計(110-220度)----溫度補償高精度的質量流量 |
飽和蒸汽的密度是隨溫度或壓力的變化而變化的,必須即時自動跟蹤補償,否則,誤差特別大,優量公司推出這款高精度產品供選擇。
優點:1、變送轉換器耐溫超過70度2、分體型方便遠程抄表3、適應室外惡劣環境工作 |
|
2、過熱蒸汽流量計(180-350度)----溫壓雙補償的質量流量 |
過熱蒸汽的密度是隨溫度和壓力的變化而變化的,必須即時自動跟蹤補償,否則,誤差特別大,優量公司推出這款高精度產品供選擇。
優點:1、選用超高溫探頭,耐溫超300度
2、在線顯示溫度、壓力、流量、密度
3、可定制400度以上超高溫傳感器 |
|
|
|
優量儀表專業生產:全系列智能蒸汽流量計----產品更全,品種更多 |
|
|
技術參數: (高溫型蒸汽流量計)
公稱口徑: |
DN15、DN20、DN25、DN32、DN40、DN50、DN65、DN80、DN100、DN125、 |
|
DN150、DN200、DN250、DN300、DN350、DN400、DN450、DN500、DN600。 |
◆ 適用范圍:氣體(空氣、氧氣、氮氣、煤氣、天燃氣、化學氣體等)、液體(水、高溫水、油、食品液、化學液等)、蒸汽(飽和蒸汽、過熱蒸汽)。
◆ 可測介質溫度:-40℃~280℃、-40℃~350℃。
◆ 公稱壓力:≤1.6MPa 、≤2.5MPa 、≤4MPa。
◆ 精度等級:液體1級、氣體、蒸汽1.5級。
輸出信號:
電壓脈沖:低電平≤1V,高電平≥6V,脈沖寬0.4ms,負載電阻>150Ω。
標準電流:4-20mA,轉換精度±0.5%滿度值,負載電阻24V-500Ω。
現場液晶顯示:瞬時流量6液晶位顯示(m3/h),轉換精度±0.1%;累積流量8位顯示(m3),轉換精度±0.1%;
◆ 供電電源:
脈沖輸出:+24VDC,4-20mA輸出
現場液晶顯示:+24VDC 或3.6V 鋰電池。
◆ 環境溫度:電壓脈沖輸出:-30℃—+65℃;4-20mA輸出:-10℃—+55℃;現場液晶顯示:-25℃—+55℃
◆ 表體材料:不銹鋼(1Cr18Ni9Ti) |
|
|
|
智能一體型渦街流量計(本安防爆型、鋰電池DC3.6V供電/DC24V供電) (高溫型蒸汽流量計) |
適用:
各種氣體(壓縮空氣、熱風、氧氣、氮氣、煤氣、天然氣、乙炔)
各種液體(純水、去離子水、軟水、乙醇、甲苯、酚類、液氨)
智能液晶雙排顯示表頭(實物照片)
未經無錫優量許可,防偽圖片不得使用 |
DN65mm(實物照片)
未經無錫優量許可,防偽圖片不得使用 |
|
|
標況流量: (高溫型蒸汽流量計)
|
結構形式 |
通徑(mm) |
工況流量范圍(m3/h) |
液體 |
氣體 |
蒸汽 |
滿
管
式 |
15 |
0.3-3.8 |
3.8-38 |
4.4-44 |
20 |
0.5-6.2 |
6.7-67 |
7.9-79 |
25 |
0.9-10 |
10-100 |
12-120 |
32 |
1.6-16 |
16-160 |
19-190 |
40 |
2.5-26 |
25-250 |
30-300 |
50 |
3.5-38 |
40-400 |
50-500 |
65 |
5.2-65 |
68-680 |
85-850 |
80 |
8-100 |
100-1000 |
120-1200 |
100 |
12-150 |
160-1600 |
190-1900 |
125 |
20-250 |
230-2300 |
280-2800 |
150 |
32-380 |
380-3800 |
440-4400 |
200 |
50-620 |
670-6700 |
790-7900 |
250 |
80-1150 |
1060-10600 |
1200-12000 |
300 |
130-1400 |
1540-15400 |
1780-17800 |
插
入
式 |
400 |
180-2700 |
2700-27000 |
3200-32000 |
500 |
280-4200 |
4240-42400 |
4950-49500 |
600 |
410-6100 |
6100-61000 |
7100-71000 |
700 |
580-7300 |
7800-78000 |
9300-93000 |
800 |
720-10800 |
10850-108500 |
12660-126600 |
900 |
970-12000 |
13000-130000 |
15500-155000 |
|
|
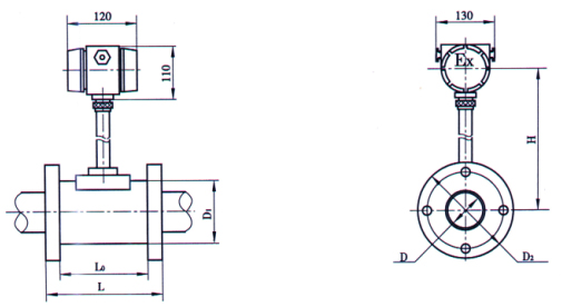
基本結構和安裝尺寸: (高溫型蒸汽流量計) |

渦街傳感器 |
插入式蒸汽流量計
|
插入式蒸汽流量計剖面圖
|
|
|
外形尺寸: |
|
口徑(D) |
管道規格 |
H |
L |
L0 |
D1 |
D2 |
15 |
Φ19×1.5 |
290 |
116 |
80 |
68 |
135 |
20 |
Φ26×3 |
290 |
116 |
80 |
68 |
135 |
25 |
Φ32×3.5 |
290 |
116 |
80 |
68 |
135 |
32 |
Φ39×3.5 |
290 |
116 |
80 |
68 |
135 |
40 |
Φ49×4.5 |
295 |
120 |
80 |
80 |
140 |
50 |
Φ59×4.5 |
300 |
124 |
80 |
88 |
145 |
65 |
Φ74×4.5 |
308 |
128 |
80 |
105 |
165 |
80 |
Φ89×4.5 |
315 |
128 |
80 |
120 |
180 |
100 |
Φ109×4.5 |
328 |
132 |
80 |
148 |
210 |
125 |
Φ133×4.5 |
340 |
137 |
85 |
174 |
235 |
150 |
Φ159×4.5 |
351 |
146 |
90 |
196 |
270 |
200 |
Φ219×9 |
278 |
169 |
105 |
250 |
325 |
250 |
Φ273×11 |
402 |
184 |
120 |
300 |
375 |
300 |
Φ325×12 |
428 |
199 |
135 |
350 |
425 |
|
|
廠家提供的優質配對法蘭
(經調質、發黑處理)
|
模擬圖
|
|
|
優量高溫型蒸汽流量計 ---- 快速供貨 快件發貨
|
1、智能蒸汽流量計有現貨。(Φ25-Φ300mm、不銹鋼材質、液晶顯示)
2、插入式蒸汽流量計訂貨后生產周期:5天
|
|
請購買正宗的無錫優量公司產品,注意產品標識和包裝 |

優量專用標簽
|

優量專用彩色說明書
|

無錫優量專用外包裝
|
|
|
|
關于優量電磁流量計及其他精品系列產品更多資訊: |
|
|
|
|
|
|
|
|
|
|
|
|
|
|
15.更多問題,請致電服務熱線:0510-82026888 |
|
|
 優量精品系列: |
|
|
優量更多的電磁流量計系列產品: |
|
|
|